主要性能范围
公称压力
(MPa)
试验压力(MPa) 工作温度(℃) 适用介质
壳体 密封
1.0 1.5 1.1 橡胶≤80℃ 糖浆、纸浆、污水、煤浆
灰、渣水混和物
1.6 2.4 1.8 H≤425℃

 

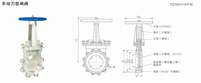
主要零部件材质
体、盖 闸板 阀杆 密封面
不锈钢碳钢 碳钢不锈钢 不锈钢 橡胶、四氟不锈钢、硬质合金

 

主要外形和连接尺寸
公称压力
PN(MPa)
公称通径
DN
L D D1 D2 H N-M D0
1.0 50 48 160 125 100 285 4-M16 180
65 48 180 145 120 298 4-M16 180
80 50 195 160 135 315 8-M16 220
100 50 215 180 155 365 8-M16 220
125 52 245 210 185 400 8-M16 230
150 57 280 240 210 475 8-M20 280
200 60 335 295 265 540 8-M20 360
250 70 390 350 320 630 12-M20 360
300 76 440 400 368 780 12-M20 400
350 89 500 460 428 885 16-M20 400
400 98 565 515 482 990 16-M22 400
450 110 615 565 532 1100 20-M22 530
500 114 670 620 585 1200 20-M22 530
600 114 780 725 685 1450 20-M27 600
1.6 50 48 160 125 100 285 4-M16 180
65 48 185 145 120 295 4-M16 180
80 50 200 160 135 315 8-M16 220
100 50 220 180 155 365 8-M16 220
125 52 250 210 185 400 8-M16 230
150 57 285 240 210 475 8-M20 280
200 60 340 295 265 540 12-M20 360
250 70 405 355 320 630 12-M22 360
300 76 460 410 375 780 12-M22 400
350 89 520 470 435 885 16-M22 400
400 98 580 525 485 990 16-M27 400
450 110 640 585 545 1100 20-M27 530
500 114 715 650 608 1200 20-M30 530
600 114 840 770 718 1450 20-M36 600

 

标签: ,

注:产品资料仅供参考,如有疑问请与我司联系!